PRODUCT
빠르게 변화하는 흐름 속에 뒤쳐지지 않게 노력하고 최선을 다하겠습니다.
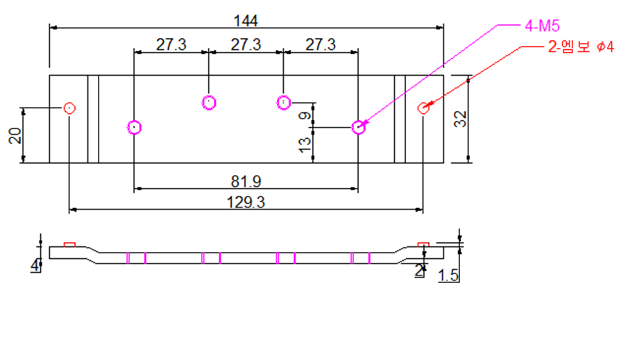
제품소개
• 규격 4*32*144
• 재질 PO• 두께 4T
• 탭 M5
• 포장단위 150 EA(마대)
선택하신 상품을 장바구니에 담았습니다.
장바구니에 있는 상품과 같이 주문할까요?